网站首页
企业简介
产品展示
三相油浸式全密封变压器
高低压开关柜
箱式变电站
电缆桥架
非标柜体加工
变频器
电动机 潜水泵
联系我们
高低压开关柜
网站首页
产品展示
高低压开关柜
网站导航
网站首页
企业简介
产品展示
联系我们
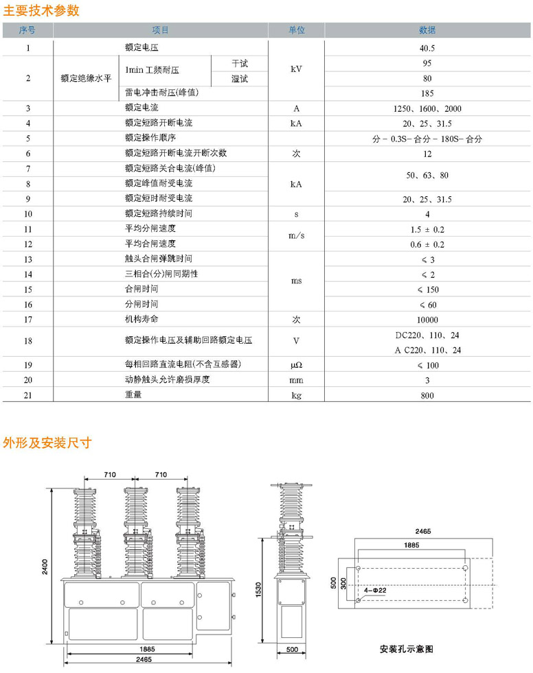
ZW7-40.5KV户外真空断路器
2011/10/28
产品详细参数
上一篇
下一篇
返回